357711112C
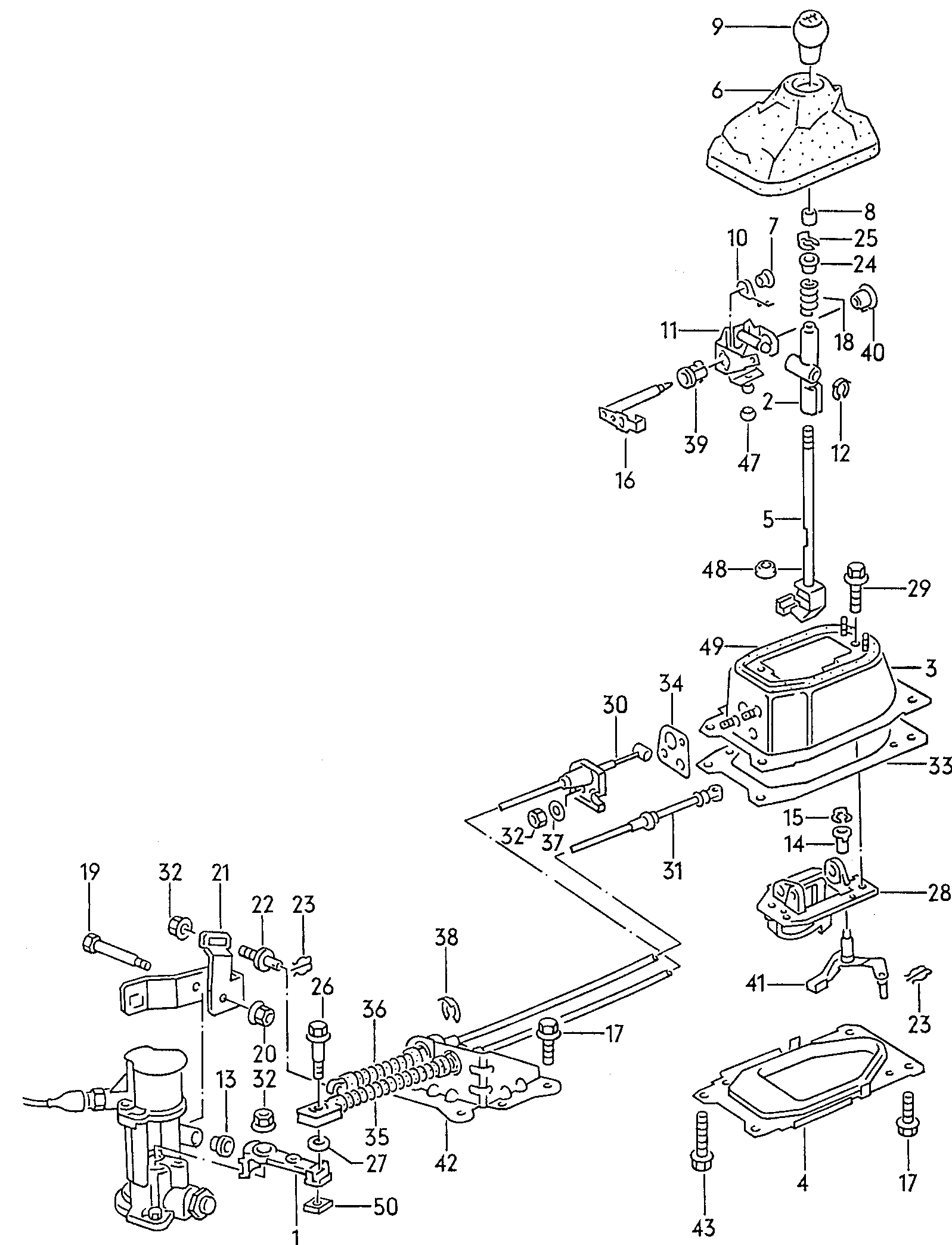
(5) Pычаг переключения передач
использовать с:

357 711 055 D

Pычаг переключения передач<br />               использовать с:<br />